Product Summary
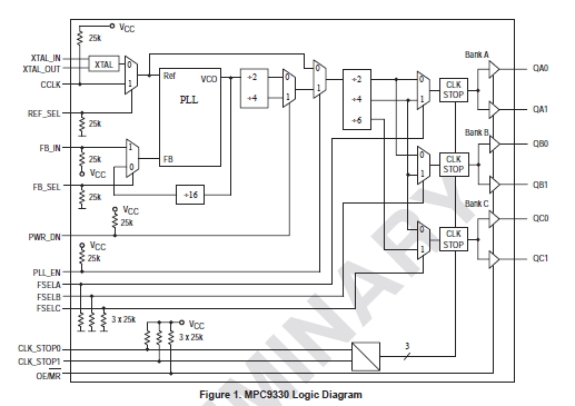
The MPC9330ACR2 is a 3.3V or 2.5V compatible, 1:6 PLL based clock generator targeted for high performance low-skew clock distribution in mid-range to high-performance telecomm, networking and computing applications. With output frequencies up to 200 MHz and output skews less than 150 ps1 the device meets the needs of the most demanding clock applications. The MPC9330ACR2 is specified for the extended temperature range of –40 to +85℃.
Parametrics
MPC9330ACR2 absolute maximum ratings: (1)VCC Supply Voltage: -0.3 to 3.6 V; (2)VIN DC Input Voltage: -0.3 to VCC+0.3 V; (3)VOUT DC Output Voltage: -0.3 to VCC+0.3 V; (4)IIN DC Input Current: ±20mA; (5)IOUT DC Output Current: ±50mA; (6)TS Storage Temperature: -65 to 125℃.
Features
MPC9330ACR2 features: (1)1:6 PLL based low-voltage clock generator; (2)2.5V or 3.3V power supply; (3)Generates clock signals up to 200 MHz; (4)Maximum output skew of 150 ps1; (5)On-chip crystal oscillator clock reference; (6)Alternative LVCMOS PLL reference clock input; (7)Internal and external PLL feedback; (8)PLL multiplies the reference clock by 4x, 3x, 2x, 1x, 4/3x, 3/2x, 2/3x, x/2,x/3 or x/4; (9)Supports zero-delay operation in external feedback mode; (10)Synchronous output clock stop in logic low eliminates output runt pulses; (11)Power_down feature reduces output clock frequency; (12)Drives up to 12 clock lines; (13)32 lead LQFP packaging; (14)Ambient temperature range 0 to +85℃; (15)Pin and function compatible to the MPC930.
Diagrams

| Image | Part No | Mfg | Description | ![]() |
Pricing (USD) |
Quantity | ||||||||||||||||
|---|---|---|---|---|---|---|---|---|---|---|---|---|---|---|---|---|---|---|---|---|---|---|
![]() |
![]() MPC9330ACR2 |
![]() |
![]() IC PLL CLOCK GENERATOR 32-LQFP |
![]() Data Sheet |
![]()
|
|
||||||||||||||||
| Image | Part No | Mfg | Description | ![]() |
Pricing (USD) |
Quantity | ||||||||||||||||
![]() |
![]() MPC905 |
![]() Other |
![]() |
![]() Data Sheet |
![]() Negotiable |
|
||||||||||||||||
![]() |
![]() MPC905D |
![]() Freescale Semiconductor |
![]() Clock Generators & Support Products 2.5 3.3V 250MHz Clock Generator |
![]() Data Sheet |
![]() Negotiable |
|
||||||||||||||||
![]() |
![]() MPC905DR2 |
![]() |
![]() IC CLK BUFFER 1:6 100MHZ 16-SOIC |
![]() Data Sheet |
![]() Negotiable |
|
||||||||||||||||
![]() |
![]() MPC905EFR2 |
![]() |
![]() IC CLK BUFFER 1:6 100MHZ 16-SOIC |
![]() Data Sheet |
![]()
|
|
||||||||||||||||
![]() |
![]() MPC9109 |
![]() Other |
![]() |
![]() Data Sheet |
![]() Negotiable |
|
||||||||||||||||
![]() |
![]() MPC9109AC |
![]() IDT |
![]() Clock Drivers & Distribution FSL 1-18 LVCMOS Fanout Buffer |
![]() Data Sheet |
![]()
|
|
||||||||||||||||
(China (Mainland))












