Product Summary
The TIL309 is a solid-state displays with integral TTL MSI circuit chip.
Parametrics
TIL309 absolute maximum ratings: (1)Supply voltage, VCC Continuous : 5.5 V; (2)Nonrepetitive peak, tw ≤ 100 ms : 7 V; (3)Input voltage : 5.5 V; (4)Operating case temperature range, TC : 0℃ to 85℃; (5)Storage temperature range : –25℃ to 85℃.
Features
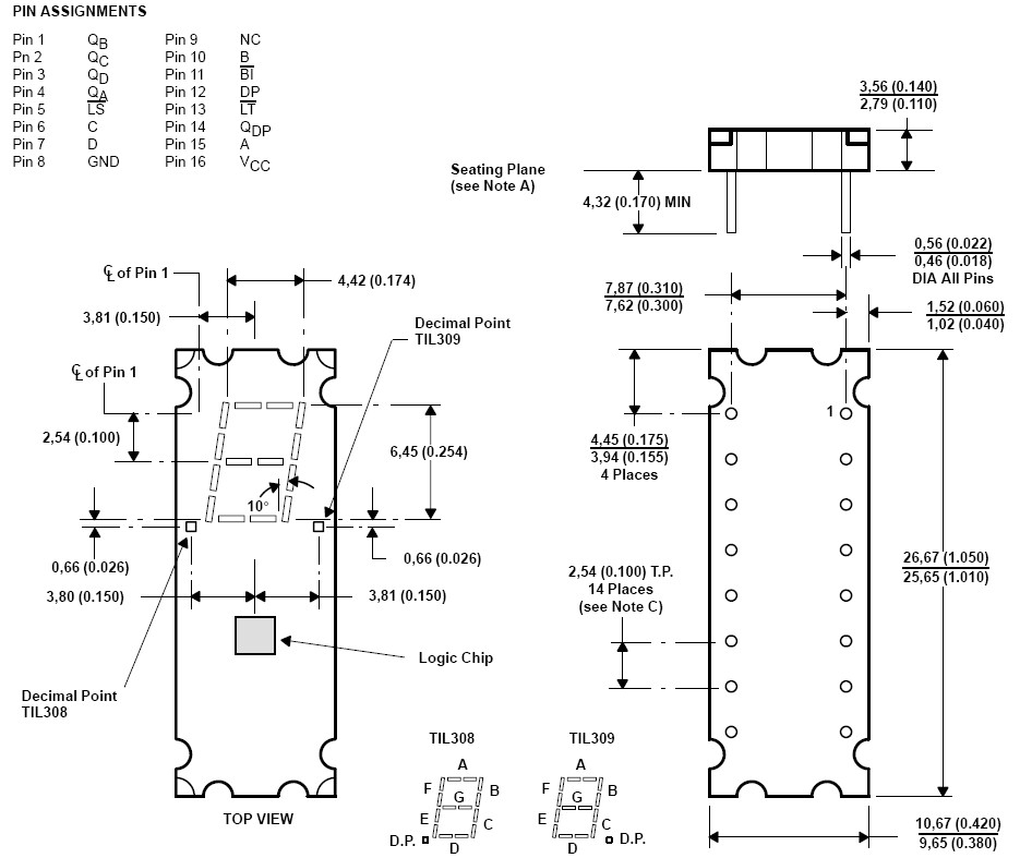
TIL309 features: (1)6,9-mm (0.270-Inch) Character Height; (2)TIL308 Has Left Decimal; (3)TIL309 Has Right Decimal; (4)Easy System Interface; (5)Wide Viewing Angle; (6)Internal TTL MSI Chip With Latch, Decoder and Driver; (7)Constant-Current Drive for Light-Emitting Diodes.
Diagrams

| Image | Part No | Mfg | Description | ![]() |
Pricing (USD) |
Quantity | ||||
|---|---|---|---|---|---|---|---|---|---|---|
![]() |
![]() TIL309 |
![]() Other |
![]() |
![]() Data Sheet |
![]() Negotiable |
|
||||
| Image | Part No | Mfg | Description | ![]() |
Pricing (USD) |
Quantity | ||||
![]() |
![]() TIL300 |
![]() Other |
![]() |
![]() Data Sheet |
![]() Negotiable |
|
||||
![]() |
![]() TIL3009 |
![]() Other |
![]() |
![]() Data Sheet |
![]() Negotiable |
|
||||
![]() |
![]() TIL300A |
![]() Other |
![]() |
![]() Data Sheet |
![]() Negotiable |
|
||||
![]() |
![]() TIL3010 |
![]() Other |
![]() |
![]() Data Sheet |
![]() Negotiable |
|
||||
![]() |
![]() TIL3011 |
![]() Other |
![]() |
![]() Data Sheet |
![]() Negotiable |
|
||||
![]() |
![]() TIL3012 |
![]() Other |
![]() |
![]() Data Sheet |
![]() Negotiable |
|
||||
(China (Mainland))









