Product Summary
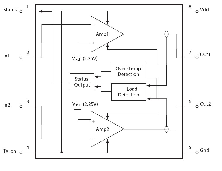
The ACPL-0820-000E is a high current dual line-driver IC. With a 5 V single supply, it delivers up to 1.5 APP current. This is ideal for high current differential mode applications such as a Powerline modem. The ACPL-0820-000E is internally protected against over-temperature conditions through thermal shutdown and this status is reported by the Status pin. Over-load condition is sensed by internal detection circuitry and is also reported by the Status pin. In addition, with the transmit enable (Tx-en) input, the line-driver output stage can be disabled to reduce power dissipation when not operating. The ACPL-0820-000E is designated for operation over extended temperature range from -40℃ to +85℃. ACPL-0820 is available in SO-8 package. The applications of the ACPL-0820-000E include Automatic meter reading (AMR), Powerline modem, General purpose line driver, Signal conditioning, Digital-to-analog converter buffers.
Parametrics
ACPL-0820-000E absolute maximum ratings: (1)Storage Temperature TS: -55 to 125℃; (2)Ambient Operating Temperature TA: -40 to 85℃; (3)Junction Temperature TJ: 150℃; (4)Supply Voltage VDD: -0.5 to 5.5 Volts; (5)Output Voltage VO: -0.5 to VDD Volts; (6)Tx-in Voltage VIN1 or VIN2: -0.5 to VDD Volts; (7)Tx-en Voltage VTx-en: -0.5 to VDD V.
Features
ACPL-0820-000E features: (1)Dual Line-Drivers; (2)1.5 APP driving current; (3)3 MHz gain bandwidth product; (4)-60 dB maximum harmonic distortion; (5)Drives 7Ω load under bridge configuration with low distortion; (6)Differential or Single ended to differential connections; (7)Load detection function; (8)Over-temperature shutdown; (9)5V single supply; (10)Temperature range: -40 to +85℃; (11)Suitable for FCC Part 15 and EN50065-1 compliant design.
Diagrams

| Image | Part No | Mfg | Description | ![]() |
Pricing (USD) |
Quantity | ||||||||||||
|---|---|---|---|---|---|---|---|---|---|---|---|---|---|---|---|---|---|---|
![]() |
![]() ACPL-0820-000E |
![]() Avago Technologies |
![]() Buffers & Line Drivers 5V PPCI |
![]() Data Sheet |
![]()
|
|
||||||||||||
| Image | Part No | Mfg | Description | ![]() |
Pricing (USD) |
Quantity | ||||||||||||
![]() |
![]() ACPL-054L-000E |
![]() Avago Technologies |
![]() High Speed Optocouplers Optocouplers 1MBd |
![]() Data Sheet |
![]()
|
|
||||||||||||
![]() |
![]() ACPL-054L-060E |
![]() Avago Technologies |
![]() High Speed Optocouplers Optocouplers 1MBd |
![]() Data Sheet |
![]()
|
|
||||||||||||
![]() |
![]() ACPL-054L-500E |
![]() Avago Technologies |
![]() High Speed Optocouplers Optocouplers 1MBd |
![]() Data Sheet |
![]()
|
|
||||||||||||
![]() |
![]() ACPL-054L-560E |
![]() Avago Technologies |
![]() High Speed Optocouplers Optocouplers 1MBd |
![]() Data Sheet |
![]()
|
|
||||||||||||
![]() |
![]() ACPL-061L-000E |
![]() Avago Technologies |
![]() High Speed Optocouplers Optocouplers 10MBd |
![]() Data Sheet |
![]()
|
|
||||||||||||
![]() |
![]() ACPL-061L-060E |
![]() Avago Technologies |
![]() High Speed Optocouplers Optocouplers 10MBd |
![]() Data Sheet |
![]()
|
|
||||||||||||
(China (Mainland))












